Средний танк Т-34-85 [Михаил Борисович Барятинский] (fb2) читать онлайн

- Средний танк Т-34-85 (а.с. Бронеколлекция -25) 6.17 Мб, 46с. скачать: (fb2) - (исправленную)  читать: (полностью) - (постранично) - Михаил Борисович Барятинский

 [Настройки текста]  [Cбросить фильтры]
  [Оглавление]


М. Барятинский Бронеколлекция 1999 №04 (25) Средний танк Т-34-85

Приложение к журналу «МОДЕЛИСТ-КОНСТРУКТОР»

Обложка: 1 — 4-я стр — рис М Дмитриева


ЛИТЕРАТУРА И ИСТОЧНИКИ
1. Материалы Российского государственного военного архива и Центрального архива Министерства обороны и Российского государственного архива экономики.

2. Барятинский М.Б. Бронетанковая техника СССР 1939 — 1945 {«Бронеколлекция», 1998, № 1)- М., «Моделист-конструктор», 1998.

3. Буров.С.С. Конструкция и расчет танков. - М., издание ВАБТВ, 1973.

4. Вараксин Ю.Н., Бах И.В., Выгодский С.Ю. Бронетанковая техника СССР. - М., ЦНИИ информации, 1981.

5. Операции Советских Вооруженных Сил в Великой Отечественной войне 1941 - 1945. - М., Воениздат, 1958.

6. Руководство по материальной части и эксплуатации танка Т-34-85. - М., Воениздат, 1963.

7. Руководство по эвакуации танков. - М., Воениздат, 1960.

8. Советские танковые войска 1941 - 1945. Военно-исторический очерк. - М., Воениздат, 1973.

9. Труды Академии. Сборник №1(25). - М., издание ВАБТВ, 1945.

10. Magnuski J., Wozy bojowe LWP. - Warszawa, 1985.

11. Zaloga S., Kinnear J., Sarson P. T-34-85 Medium Tank 1944 - 1994. - London, 1996.

12. ZalogaS., Balin G. Tank Warfare in Korea 1950 - 1953. - Concord Publications Company, 1995.

13. ZalogaS. Tank Battles of the Mid-East Wars. - Concord Publications Company, 1996.

14. Skulski P. T-34-85. - Wroclaw, 1999.

15. Micheletti E., Debay V. War in the Balkans. - Paris, 1993.

Журналы «Моделист-конструктор», «Бронеколлекция»," Вопросы изобретательства", "Техника и вооружение", Military Modelling, НРМ, Jane's Defence Weekly.

История создания

Т-34-85 с пушкой Д-5Т. 38-й отдельный танковый полк. Танковая колонна "Димитрий Донской" была построена на средства Русской Православной церкви.


По иронии судьбы, одна из величайших побед Красной Армии в Великой Отечественной войне —под Курском была одержана в тот момент, когда советские бронетанковые и механизированные войска в качественном отношении уступали немецким (см. "Бронеколлекцию" № 3, 1999 г.). К лету 1943 года, когда наиболее болезненные конструктивные недостатки Т-34 были устранены, у немцев появились новые танки "Тигр" и "Пантера", заметно превосходившие наши по мощи вооружения и толщине брони. Поэтому в ходе Курской битвы советским танковым частям, как и прежде, приходилось полагаться на свое численное превосходство над противником. Лишь в отдельных случаях, когда "тридцатьчетверкам" удавалось приблизиться к немецким танкам почти вплотную, огонь их пушек становился эффективным. На повестку дня остро встал вопрос о кардинальной модернизации танка Т-34.

Нельзя сказать, чтобы к этому времени не предпринимались попытки разработки более совершенных танков. Эта работа, приостановленная с началом войны, возобновилась в 1942 году, по мере завершения текущей модернизации и устранения недостатков Т-34. Здесь, в первую очередь, следует упомянуть проект среднего танка Т-43.

Эта боевая машина создавалась с учетом предъявляемых к Т-34 требований — усиления его бронезащиты, совершенствования подвески и увеличения объема боевого отделения. Причем активно использовался конструкторский задел по довоенному танку Т-34М.

Новая боевая машина на 78,5% была унифицирована с серийной "тридцатьчетверкой". Форма корпуса Т-43 в основном осталась прежней, так же как и двигатель, трансмиссия, элементы ходовой части, пушка. Основное отличие заключалось в усилении бронирования лобовых, бортовых и кормовых листов корпуса до 75 мм, башни —до 90 мм. Кроме того, место механика- водителя и его люк перенесли в правую часть корпуса, а место стрелка- радиста и установка курсового пулемета ДТ были ликвидированы. В носовой части корпуса слева разместили топливный бак в бронированной выгородке; бортовые баки изъяли. Танк получил торсионную подвеску. Наиболее же существенным новшеством, резко отличавшим по внешнему виду Т-43 от Т-34, стала трехместная литая башня с расширенным погоном и низкопрофильной командирской башенкой.

С марта 1943 года два опытных образца танка Т-43 (им предшествовала машина Т-43-1, построенная в конце 1942 года, имевшая люк-пробку механика-водителя и смещенную к корме башни командирскую башенку) проходили испытания, в том числе и фронтовые, в составе отдельной танковой роты имени НКСМ. Они выявили, что Т-43 из-за возросшей до 34,1 т массы несколько уступает Т-34 по динамическим характеристикам (максимальная скорость снизилась до 48 км/ч), хотя и существенно превосходит последний по плавности хода. После замены вось-~ ми бортовых топливных баков (у Т-34) на один носовой меньшей емкости у Т-43 соответственно почти на 100 км уменьшился запас хода. Танкисты отмечали простор боевого отделения и большее удобство в обслуживании вооружения.

После испытаний, в конце лета 1943 года танк Т-43 был принят на вооружение Красной Армии. Началась подготовка к его серийному производству. Однако итоги Курской битвы внесли существенные коррективы в эти планы.

Опытный танк Т-43-1. Обращает на себя внимание высокая командирская башенка со смотровыми щелями по периметру, расположенная в кормовой части башни.

Опытный танк Т-43. Его характерные детали — люк механика-водителя, заимствованный у Т-34, и низкопрофильная командирская башенка.


В конце августа на заводе № 112 состоялось совещание, на которое прибыли нарком танковой промышленности В.А.Малышев, командующий бронетанковыми и механизированными войсками Красной Армии Я.Н.Федоренко и ответственные сотрудники Наркомата вооружений. В своем выступлении В.А.Малышев отметил, что победа в Курской битве досталась Красной Армии дорогой ценой. Вражеские танки вели огонь по нашим с дистанции 1500 м, наши же 76-мм танковые пушки могли поразить "тигров" и "пантер" лишь с дистанции 500 — 600 м. "Образно выражаясь, — сказал нарком,— противник имеет руки в полтора километра, а мы всего в полкилометра. Нужно немедленно установить в Т-34 более мощную пушку".

На самом же деле ситуация была значительно хуже, чем ее обрисовал В.А.Малышев. А ведь попытки исправить положение предпринимались с начала 1943 года.

Еще 15 апреля ГКО, в ответ на появление на советско-германском фронте новых немецких танков, издал постановление № 3187сс "О мероприятиях по усилению противотанковой обороны", которым обязал ГАУ подвергнуть полигонным испытаниям противотанковые и танковые пушки, находившиеся в серийном производстве, и в 10-дневный срок представить свое заключение. В соответствии с этим документом заместитель командующего БТ и МВ генерал-лейтенант танковых войск В.М.Коробков приказал задействовать в ходе этих испытаний, проходивших с 25 по 30 апреля 1943 года на НИИБТ- Полигоне в Кубинке, трофейный "Тигр". Результаты испытаний оказались малоутешительными. Так, 76-мм бронебойно-трассирующий снаряд пушки Ф-34 не пробил бортовую броню немецкого танка даже с дистанции 200 м! Наиболее же эффективным средством борьбы с новой тяжелой машиной противника оказалась 85-мм зенитная пушка 52К образца 1939 года, которая с дистанции до 1000 м пробивала его 100-мм лобовую броню.

5 мая 1943 года ГКО принял постановление № 3289сс "Об усилении артиллерийского вооружения танков и самоходных установок". В нем перед НКТП и НКВ были поставлены конкретные задачи по созданию танковых пушек с зенитной баллистикой.

Еще в январе 1943 года к разработке такой пушки приступило КБ завода № 9, руководимое Ф.Ф.Петровым. К 27 мая 1943 года были выпущены рабочие чертежи пушки Д-5Т-85, спроектированной по типу немецких танко-самоходных пушек и отличавшейся малым весом и небольшой длиной отката. В июне первые Д-5Т изготовили в металле. Примерно в это же время были готовы опытные образцы других 85-мм танковых орудий: ЦАКБ (главный конструктор В.Г.Грабин) представило пушки С-53 (ведущие конструкторы Т.И.Сергеев и Г.И.Шабаров) и С-50 (ведущие конструкторы В.Д.Мещанинов, А.М.Волгевский и В.А.Тюрин), а артиллерийский завод № 92— пушку ЛБ-85 А.И.Савина. Таким образом, к середине 1943 года к испытаниям были готовы четыре варианта 85-мм пушки, предназначавшиеся для вооружения среднего танка. Но вот какого?

Т-43 отпал достаточно быстро — эта машина и с 76-мм пушкой весила 34,1 т. Установка более мощного, а значит, и более тяжелого орудия повлекла бы за собой дальнейшее увеличение массы, со всеми вытекающими из этого негативными последствиями. Кроме того, переход заводов на выпуск нового танка, хоть и имевшего много общего с Т-34, неизбежно вызвал бы снижение объемов производства. А это было свято! В результате всего серийный выпуск Т-43 так и не начался. В 1944 году в опытном порядке на него все-таки установили 85-мм пушку, на этом все и закончилось.

Тем временем пушка Д-5Т была вполне удачно скомпонована в перспективном тяжелом танке ИС. Для установки же Д-5Т в средний танк Т-34 требовалось увеличить диаметр башенного погона и установить новую башню. Над этой проблемой трудились КБ завода "Красное Сормово" во главе с В.В.Крыловым и башенная группа завода № 183, руководимая А.А.Молоштановым и М.А.Набутовским. В результате появились две очень похожие друг на друга литые башни с диаметром погона в свету 1600 мм. Обе они напоминали (но не копировали!) башню опытного танка Т-43, взятую за основу при проектировании.

Т-43


Негативным образом на ход работ повлияло обещание руководства ЦАКБ установить 85-мм пушку С-53 в штатную башню танка Т-34 с диаметром погона 1420 мм. В.Г.Грабин добился того, чтобы завод N°112 выделил ему серийный танк, на котором в ЦАКБ переделали переднюю часть башни, в частности цапфы орудия были вынесены вперед на 200 мм. Этот проект Грабин попытался утвердить у В.А.Малышева. Однако у последнего возникли серьезные сомнения насчет целесообразности подобного решения, тем более, что испытания новой пушки в старой башне, проведенные на Гороховецком полигоне, закон- ^лись неудачей. Два человека, находившиеся в ставшей еще более тесной башне, не могли нормально обслуживать пушку. Резко сократился и боекомплект. Малышев приказал М.А.Набутовскому _зылететь на завод N9 112 и во всем разобраться. На специальном совещании, в присутствии Д.Ф.Устинова и Я.Н.Федоренко, Набутовский начисто раскритиковал грабинский проект. Стало очевидным, что альтернативы башне с расширенным погоном нет.

Вместе с тем выяснилось, что победившая в конкурсных испытаниях пушка С-53 не может быть установлена в башню, сконструированную сормовичами. При установке в этой башне у пушки был ограничен угол вертикальной наводки. Требовалось или изменить конструкцию башни, или установить другую пушку, например Д-5Т, которая свободно бы компоновалась в сормовскую башню.

Завод "Красное Сормово" по плану до конца 1943 года должен был выпустить 100 танков Т-34 с пушкой Д-5Т, однако первые боевые машины этого типа покинули его цеха только в начале января 1944-го, то есть фактически до официального принятия нового танка на вооружение. Постановление ГКО № 5020сс, в соответствии с которым Т-34-85 приняли на вооружение Красной Армии, увидело свет только 23 января 1944 года.

Один из первых танков Т-34-85 с пушкой Д-5Т на полигоне в Кубинке. Хорошо видны типичные лишь для этой модификации маска пушки, антенный ввод на правом борту корпуса, поручни на лобовой броне и т.д.

Та же машина, вид с левого борта. Обратите внимание на расположение сильно смещенной вперед командирской башенки и дополнительного топливного бака, а также выполненные из прутков рымы для демонтажа башни. Смотровая щель в левом борту башни характерна только для сормовских машин с пушкой Д-5Т.


Танки, вооруженные пушкой Д-5Т, заметно отличались от машин более позднего выпуска по внешнему виду и внутреннему устройству. Башня танка была двухместной, а экипаж состоял из четырех человек. На крыше башни имелась сильно смещенная вперед командирская башенка с двустворчатой крышкой, вращавшейся на шариковой опоре. В крышке закреплялся смотровой перископический прибор МК-4, позволявший вести круговой обзор. Для стрельбы из пушки и спаренного пулемета устанавливались телескопический шарнирный прицел ТШ-15 и панорама ПТК-5. В обоих бортах башни имелись смотровые щели со стеклоблоками триплекс. Радиостанция размещалась в корпусе, а ввод ее антенны — на правом борту, так же как у танка Т-34. Боекомплект состоял из 56 выстрелов и 1953 патронов. Силовая установка, трансмиссия и ходовая часть изменений практически не претерпели. Эти танки несколько различались между собой в зависимости от времени выпуска. Например, машины ранних выпусков имели один башенный вентилятор, а большинство последующих — два.

Следует отметить, что рассмотренная выше модификация в статистической отчетности как Т-34-85, по-видимому, не фигурирует. Во всяком случае, на сегодняшний день есть существенные расхождения в оценках количества выпущенных машин, приводимых в литературе. В основном цифры колеблются в диапазоне 500 — 700 танков. На самом деле — значительно меньше! Дело в том, что в 1943 году было выпущено 283 пушки Д-5Т, в 1944-м - 260, а всего - 543. Из этого числа 107 орудий установили на танки ИС-1, 130 (по другим данным, не более 100) —на танки КВ-85, несколько пушек использовалось на опытных образцах боевых машин. Таким образом, число танков Т-34, выпущенных с пушкой Д-5Т, близко к 300 единицам.

Что касается орудия С-53, то его установка в нижнетагильской башне затруднений не вызывала. Постановлением ГКО от 1 января 1944 года С-53 приняли на вооружение Красной Армии. С марта начался выпуск этих пушек в пуско-наладочном режиме, а с мая — в потоке. Соответственно в марте цеха завода № 183 в Нижнем Тагиле покинули первые танки Т-34-85, вооруженные С-53. Вслед за головным к производству таких машин приступили заводы № 174 в Омске и № 112 "Красное Сормово". При этом на части танков сормовичи по-прежнему устанавливали пушки Д-5Т.

Башня завода "Красное Сормово" с пушкой Д-5Т. У первых выпущенных машин имелся только один башенный вентилятор.

Т-34-85 завода "Красное Сормово". Промежуточная модель, сохранившая характерные детали ранних сормовских машин, — смещенный вперед наружный топливный бак и рымы из прутка.


Продолжавшиеся, несмотря на начало производства, полигонные испытания выявили существенные дефекты противооткатных устройств С-53. Артиллерийскому заводу № 92 в Горьком было поручено своими силами провести ее доработку. В ноябре — декабре 1944 года началось производство этого орудия под индексом ЗИС-С-53 ("ЗИС" — индекс артиллерийского завода № 92 имени Сталина, "С" — индекс ЦАКБ). Всего в 1944— 1945 годах было изготовлено 11 518 пушек С-53 и 14 265 пушек ЗИС-С-53. Последние устанавливались как на танки Т-34-85, так и на Т-44.

У "тридцатьчетверок" с пушками С-53 или ЗИС-С-53 башня стала трех местной, а командирская башенка была сдвинута ближе к ее корме. Радиостанцию перенесли из корпуса в башню. Смотровые приборы устанавливались только нового типа — МК-4. Командирскую панораму ПТК-5 изъяли. Позаботились и о двигателе: воздухоочистители "Циклон" заменили на более производительные типа "Мультициклон". Остальные агрегаты и системы танка изменений практически не претерпели.

Как это было с Т-34, у танков Т-34-85 имелись некоторые отличия друг от друга, связанные с технологией изготовления на разных заводах. Башни отличались числом и расположением литьевых швов, формой командирской башенки.

В ходовой части использовались как штампованные опорные катки, так и литые с развитым оребрением.

В январе 1945 года двухстворчатую крышку люка командирской башенки заменили на одностворчатую. На танках послевоенного выпуска (завод "Красное Сормово") один из двух вентиляторов, установленных в кормовой части башни, перенесли в ее центральную часть, что способствовало лучшей вентиляции боевого отделения.

В конце войны была предпринята попытка усилить вооружение танка. В

Т-34-85 с пушкой Д-5Т. Основной серийный вариант.


1945 году прошли полигонные испытания опытных образцов средних танков Т-34-100 с башенным погоном, уширенным до 1700 мм, вооруженных 100-мк< пушками Л Б-1 и Д-10Т. На этих танках,  масса которых достигла 33 т, был изъят курсовой пулемет и на одного человека сокращен экипаж; снижена высота башни; уменьшена толщина днища, крыши над двигателем и крыши башни; перенесены в отделение управления топливные баки; опущено сиденье механика-водителя; подвеска 2-го и 3-го опорных катков выполнена так же, как и подвеска первых катков; поставлены пятироликовые ведущие колеса. Танк Т-34-100 на вооружение принят не был — 100-мм пушка оказалась "неподъемной" для "тридцатьчетверки". Работа эта вообще имела мало смысла, поскольку на вооружение уже был принят новый средний танк Т-54 со 100-мм~ пушкой Д-10Т.

Еще одну попытку усилить вооружение Т-34-85 предприняли в 1945 году, когда ЦАКБ разработало модификацию- ЗИС-С-53, снабженную одноплоскостным гироскопическим стабилизатором — ЗИС-С-54. Однако в серию эта артсистема не пошла.

А вот другой вариант Т-34-85 с вооружением, отличным от базового танка, выпускался серийно. Речь идет об огнеметном танке ОТ-34-85. Подобно его предшественнику — ОТ-34, на этой машине вместо курсового пулемета устанавливался автоматический поршневой танковый огнемет АТО-42 завода № 222.

Тапки Т-34-85 перед парадом. Ленинград, 7 ноября 1945 года. У машины слева хорошо видна характерной формы бронемаска пушки С-53.

Форма бронемасок
Слева: Пушка С-53

Справа: Пушка ЗИС-С-53

Огнеметные танки ОТ-34-85 на ул. Горького в Москве перед первомайским парадом 1946 года.


Весной 1944 года на восстановленном после освобождения Харькова бывшем заводе № 183, которому был присвоен № 75, изготовили опытные образцы тяжелого тягача АТ-45, предназначавшегося для буксировки орудий массой до 22 т. АТ-45 спроектировали на базе агрегатов танка Т-34-85. На нем устанавливался такой же дизель В-2, но с мощностью, уменьшенной до 350 л.с. при 1400 об/мин. В 1944 году завод изготовил 6 тягачей АТ-45, из них два были отправлены в войска для испытаний в боевых условиях. Выпуск тягачей прекратили в августе 1944 года в связи с подготовкой на заводе № 75 производства новой модели среднего танка Т-44. Не будет лишним вспомнить, что этот тягач стал не первым, построенным на базе агрегатов "тридцатьчетверки". Так, еще в августе 1940 года утвердили проект артиллерийского тягача АТ-42 массой 17 т, с платформой грузоподъемностью 3 т. С двигателем В-2 мощностью 500 л.с. он должен был развивать скорость до 33 км/ч при тяговом усилии на крюке в 15 т. Опытные образцы тягача АТ- 42 изготовили в 1941-м, но дальнейшие работы по их испытанию и производству пришлось свернуть в связи с эвакуацией завода из Харькова.

Серийное производство Т-34-85 в Советском Союзе прекратили в 1946 году (по некоторым данным, на заводе "Красное Сормово" малыми сериями оно продолжалось до 1950 года). Что же касается количества танков Т-34-85, выпущенных тем или иным заводом, то, как и в случае с Т-34, здесь имеют место заметные расхождения в цифрах, приводимых в разных источниках.

Опытный танк Т-34-100.


Общий выпуск танков Т-34-85
  1944 1945 Всего
Т-34-85 10 499 12 ПО 22 609
Т-34-85 ком. 134 140 274
ОТ-34-85 30 301 331
Всего 10 663 12 551 23 214
В этой таблице приведены данные только по 1944 и 1945 годам. Танки Т-34-85 командирский и ОТ-34-85 в 1946 году не выпускались.

Выпуск танков Т-34-85 заводами НКТП
Завод 1944 1945 1946 Всего
№ 183 6585 7356 493 14 434
№ 112 3062 3255 1154 7471
№ 174 1000 1940 1054 3994
Всего 10 647 12 551 2701 25 899

Модернизированный в послевоенные годы танк Т-34-85. На правом борту корпуса хорошо заметен ИК-осветитель ФГ-100 прибора ночного видения.


При сравнении данных двух таблиц видно расхождение в количестве танков, выпущенных в 1944 году. И это несмотря на то, что таблицы составлены по наиболее часто встречающимся и наиболее достоверным данным. В ряде источников можно встретить другие цифры за 1945 год: 6208, 2655 и 1540 танков соответственно. Однако эти числа отражают выпуск танков за 1-, 2- и 3-й кварталы 1945 года, то есть примерно под конец Второй мировой войны. Расхождения в цифрах не дают возможности абсолютно точно указать количество танков Т-34 и Т-34-85, выпущенных с 1940 по 1946 год. Это число колеблется от 61 293 до 61 382 единиц.

В зарубежных источниках приводятся следующие цифры производства Т-34-85 в СССР в послевоенные годы: 1946 - 5500, 1947 - 4600, 1948 - 3700, 1949-900, 1950- 300 единиц. Судя по количеству нулей, цифры эти, скорее всего, носят весьма приблизительный характер. Если же взять за основу количество машин, выпущенных в 1946 году, завышенное в этих источниках вдвое, и допустить, что все остальные цифры завышены так же, получается, что в 1947 — 1950 годах было выпущено 4750 танков Т-34-85. Это, действительно, похоже на правду. В самом деле, нельзя же всерьез предположить, что наша танковая промышленность простаивала почти пять лет? Выпуск среднего танка Т-44 прекратился в 1947-м, а к массовому производству нового танка Т-54 заводы приступили практически лишь в 1951 году. В результате количество изготовленных в СССР танков Т-34 и Т-34-85 превышает 65 тысяч.

Несмотря на поступление в войска новых танков Т-44 и Т-54, "тридцатьчетверки" составляли в послевоенные годы значительную часть танкового парка Советской Армии. Поэтому эти боевые машины в 50-е годы в ходе проведения капитальных ремонтов прошли модернизацию. В первую очередь, изменения затронули двигатель, который в результате получил наименование В-34-М11. Были установлены два воздухоочистителя ВТИ-3 с эжекционным отсосом пыли; в системы охлаждения и смазки встроили форсуночный подогреватель; генератор ГТ-4563А мощностью 1000 Вт заменили генератором Г-731 мощностью 1500 Вт.

Для вождения машины ночью механик-водитель получил прибор ночного видения БВН. При этом на правом борту корпуса появился ИК-осветитель ФГ-100. Прибор наблюдения МК-4 в командирской башенке заменили командирским прибором наблюдения ТПК-1 или ТПКУ-2Б.

Вместо пулемета ДТ был установлен модернизированный пулемет ДТМ, снабженный телескопическим прицелом ППУ-8Т. В укладку личного оружия членов экипажа вместо пистолета-пулемета ППШ ввели автомат АК-47.

Радиостанция 9-Р с 1952 года заменялась радиостанцией 10-РТ-26Э, а переговорное устройство ТПУ-Збис-Ф — ТПУ-47.

Другие системы и агрегаты танка изменений не претерпели.

Модернизированные таким образом машины стали именоваться Т-34-85 образца 1960 года.

В 60-х годах танки оснастили более совершенными приборами ночного видения ТВН-2 и радиостанциями Р-123. В ходовой части установили опорные катки, заимствованные у танка Т-55.

Часть танков в конце 50-х была переоборудована в эвакуационные тягачи Т-34Т, отличавшиеся друг от друга наличием или отсутствием лебедки или такелажного оборудования. Башня во всех случаях демонтировалась. Вместо нее в варианте максимальной комплектации устанавливалась грузовая платформа. На подкрылках монтировались ящики для инструмента. К носовым листам корпуса приваривались площадки для толкания танков с помощью бревна. Справа в передней части корпуса устанавливался кран- стрела грузоподъемностью 3 т; в средней части корпуса — лебедка с приводом от двигателя. Из вооружения сохранялся только курсовой пулемет.

Часть тягачей Т-34Т, а также линейных танков оснащалась бульдозерами БТУ и снегоочистителями СТУ.

Для обеспечения ремонта танков в полевых условиях был разработан и серийно выпускался (а точнее — переоборудовался из линейных танков) самоходный кран СПК-5, затем СПК-5/10М. Крановое оборудование грузоподъемностью до 10 т позволяло осуществлять снятие и установку танковых башен. Машина оснащалась двигателем В-2-34Кр, который отличался от штатного наличием механизма отбора мощности.

В 60 — 70 годах значительное число танков после демонтажа вооружения было переоборудовано в машины химической разведки.

Т-34-85, прошедший заключительный этап модернизации в 60-е годы. Обращают на себя внимание новые опорные катки, форма антенного ввода радиостанции Р-123, а также второй наружный топливный бак и ящик для индивидуального заправочного насоса на левом борту корпуса. Москва, 9 мая 1985 года.

Тягач Т-34Т с комплектом такелажного оборудования, грузовой платформой, кран-стрелой и комплектом вспомогательных приспособлений для ремонтных работ.

Самоходный кран СПК-5. Киев, Музей Великой Отечественной войны, 1985 год.

Т-34-85 выпуска 1944 года.


В 1949 году лицензию на производство среднего танка Т-34-85 приобрела Чехословакия. Ей была передана конструкторская и технологическая документация, обеспечивалась техническая помощь советскими специалистами. Зимой 1952 года первый Т-34-85 чехословацкого производства покинул цеха завода CKD Praha Sokolovo (по другим данным, завода имени Сталина в городе Rudy Martin). "Тридцатьчетверки" выпускались в ЧССР до 1958 года. Всего было изготовлено 3185 единиц, значительная часть которых пошла на экспорт. На базе этих танков чехословацкими конструкторами были разработаны мостоукладчик МТ-34, эвакуационный тягач CW-34 и ряд других машин.

Аналогичную лицензию в 1951 году приобрела Польская Народная Республика. Выпуск танков Т-34-85 был развернут на заводе Bumar Labedy. Первые четыре машины собрали к 1 мая 1951 года, при этом часть узлов и агрегатов привезли из СССР. В 1953 — 1955 годах Войско Польское получило 1185 танков собственного производства, а всего в Польше было выпущено 1380 Т-34-85.

Польские "тридцатьчетверки" дважды модернизировались по программам Т-34-85М1 и Т-34-85М2. В ходе этих модернизаций они получили предпусковой подогреватель, двигатель приспособили для работы на различных видах топлива, были введены механизмы, облегчавшие управление танком, иначе разместили боекомплект. Благодаря внедрению дистанционной системы управления курсовым пулеметом, экипаж танка сократился до 4 человек. Наконец, польские "тридцатьчетверки" оснащались оборудованием подводного вождения.

На базе танков Т-34-85 в Польше было разработано и выпускалось несколько образцов инженерных и ремонтно-эвакуационных машин.

Всего танков Т-34-85 (с учетом выпущенных в Чехословакии и Польше) было изготовлено свыше 35 тысяч единиц, а если приплюсовать сюда танки Т-34 — 70 тысяч, что делает "тридцатьчетверку" самой массовой боевой машиной в мире.

Танк Т-34-85М2 польского производства с герметизированной маск-установкой. На левом борту корпуса в положении по-походному закреплена труба ОПВТ.


Характерные отличия танков польского производства: отбортовка вокруг маск-установки курсового пулемета для крепления герметизирующего чехла — вверху; фигурная отливка бронезащиты выхлопного патрубка и сам патрубок с отбортовкой — внизу.


Описание конструкции

По своей компоновке, расположению основных узлов и агрегатов танк Т-34-85 в основном идентичен Т-34 (подробнее о нем смотри в "Бронеколлекции" № 3 за 1999 г.).

Отделение управления располагалось в носовой части танка. В нем размещались сиденья механика-водителя и пулеметчика, кулиса коробки передач, рычаги и педали приводов управления, пулемет ДТ в шаровой установке, контрольно-измерительные приборы, два баллона со сжатым воздухом, часть боекомплекта и ЗИП, аппарат ТПУ и др.

Перед сиденьем механика-водителя в верхнем лобовом листе корпуса имелся входной люк, закрываемый броневой крышкой, в которой устанавливались приборы наблюдения.

Перед сиденьем пулеметчика в днище танка находился люк запасного выхода, закрываемый крышкой.

Боевое отделение занимало среднюю часть корпуса за отделением управления и в башне.

В последней размещались вооружение танка, прицельные приспособления, приборы наблюдения, механизм поворота и стопор башни, часть боекомплекта, радиостанция, аппараты ТПУ, сиденья командира танка, наводчика и заряжающего.

Основная часть боекомплекта находилась в боевом отделении на днище и около бортов. За съемными бортовыми наклонными листами размещались четыре топливных бака.

Силовое отделение располагалось за боевым и отделялось от него съемной перегородкой.

В передней части силового отделения на постаменте устанавливался двигатель. По обеим сторонам от него размещались водяные радиаторы, два топливных бака, два масляных бака и четыре аккумуляторные батареи — по две с каждой стороны. На левом водя- —ном радиаторе был смонтирован масляный радиатор.

Корпус танка:

1 — картер бортовой передачи; 2 — отбойный кулак пальцев гусеницы; 3 — стойка ограничителя балансира; 4 — кронштейн упора балансира; 5 — вырез для цапфы балансира; 6 — отверстие для оси балансира; 7 — кронштейн кривошипа направляющего колеса; 8 — броневая пробка над хвостовиком червяка механизма натяжения гусеницы; 9 — балка носовой части корпуса; 10 — буксирный крюк; 11 —защелка буксирного крюка; 12 — бонки для крепления запасных траков; 13,16 — защитные планки; 14 — броневая защита пулемета; 15 — крышка люка механика-водителя; 17 — кронштейн фары; 18 — кронштейн сигнала; 19 — поручень; 20 — кронштейн пилы; 21 — кронштейны наружного топливного бака.

Советские танки в горах Трансильвании. 2-й Украинский фронт, Румыния, 1944 год.


В кормовой части силового отделения за вентиляторной перегородкой размещались главный фрикцион с вентилятором, коробка передач, бортовые фрикционы с тормозами, электростартер, бортовые передачи, два топливных бака и два воздухоочистителя.

КОРПУС танка принципиальных изменений, по сравнению с Т-34, не претерпел. Все они в основном сводились к упрощению конструкции. Так, из носовой части была изъята передняя балка, а верхний и нижний лобовые листы связывались встык. К верхнему лобовому листу приваривались бонки для крепления запасных траков. Было ликвидировано отверстие для ввода антенны в правом верхнем бортовом листе. В кормовой части верхних бортовых листов приваривались крепления наружных масляного и топливных баков, а к верхним кромкам — защитные планки, предохранявшие погон башни от поражения пулями и осколками снарядов. На верхнем кормовом листе устанавливались кронштейны для крепления дымовых шашек БДШ.

БАШНЯ представляла собой фасонную стальную отливку. В передней ее части имелись амбразуры для установки пушки, спаренного пулемета и прицела. Снаружи к боковым стенкам башни приваривались четыре рыма и три поручня, а на задней стенке — шесть скоб для крепления брезента.

В боковых стенках башни с каждой стороны находилось по одному отверстию для стрельбы из личного оружия, которые закрывались броневыми заглушками и щеколдами. У танков ранних выпусков с пушкой Д-5Т над этими отверстиями имелись смотровые щели, у машин выпуска 1944— 1945 годов сохранилась смотровая щель только в правом борту башни, у места заряжающего. УТ-34-85 послевоенного производства смотровых щелей в башне не было.

В крыше башни с левой стороны устанавливалась литая командирская башенка цилиндрической формы. Для кругового наблюдения в стенках башенки были прорезаны пять смотровых щелей, закрывавшихся защитными стеклами. Во вращавшейся на шариковой опоре крыше башенки имелся люк, с двухстворчатой крышкой и отверстием для смотрового прибора в одной из створок. У танков выпуска 1945 — 1946 годов с башенкой с одностворчатой крышкой смотровой прибор устанавливался в неоткидывавшейся части крыши башенки.

Справа от башенки располагался круглый люк заряжающего, закрывавшийся крышкой. Кроме того, в крыше башни имелись два отверстия для установки приборов наблюдения МК-4 наводчика и заряжающего и два вентиляционных люка, закрытых приваренными к крыше броневыми колпаками, под которыми устанавливались вентиляторы боевого отделения.

Шариковая (но не шаровая, как иногда пишут) опора башни представляла собой радиально-упорный шарикоподшипник, кольцами его являлись погоны башни. При вращении башни верхний погон перекатывался на шариках по нижнему погону. С внутренней стороны нижнего погона нарезались зубья, с которыми находилась в зацеплении шестерня механизма поворота башни. 11 захватов, прикрепленных к верхнему погону болтами, заходили выступами за кромку нижнего погона, предохраняя башню от опрокидывания.

Схема бронирования танка Т-34-85.

Танки Т-34 и Т-34-85 перед парадом в Ленинграде, 1945 год. На переднем плане башня танка 1944 года выпуска, о чем говорят двухстворчатый люк командирской башенки, приборы наблюдения МК-4 без броневых крышек и хорошо видная бронемаска пушки С-53. Вторая машина в этом ряду — выпуска 1945 года.


Башня приводилась во вращение электрическим поворотным механизмом или вручную. При работе электропривода максимальная скорость поворота башни достигала 4,2 об/мин.

ВООРУЖЕНИЕ. На танках ранних выпусков устанавливалась 85-мм пушка Д-5Т (или Д-5-Т85) с длиной ствола 48,8 калибра (по другим данным — 52 калибра). Масса пушки 1530 кг. Предельная длина отката 320 мм. Пушка имела клиновой затвор, аналогичный по устройству затвору пушки Ф-34, и полуавтоматику копирного типа. Противооткатные устройства состояли из гидравлического тормоза отката и гидропневматического накатника и располагались над стволом: с правой стороны — накатник, с левой — тормоз отката.

С марта 1944 года на танк Т-34-85 устанавливалась 85-мм пушка С-53 (а затем ЗИС-С-53) обр.1944 года с длиной ствола 54,6 калибра. Масса качающейся части пушки без бронировки 1150 кг. Предельная длина отката 330 мм. Вертикальная наводка от — 5° до +22°. Затвор пушки — вертикально-клиновой с полуавтоматикой копирного типа.

Спусковой механизм пушки состоял из электрического и механического (ручного) спусков. Рычаг электроспуска располагался на рукоятке маховика подъемного механизма, а рычаг ручного спуска — на левом щите ограждения пушки.

В танке устанавливались два 7,62-мм пулемета ДТ, из них один был спарен с пушкой, а другой смонтирован в шаровой установке в лобовом листе корпуса.

Для стрельбы прямой наводкой из пушки Д-5Т использовались телескопический прицел ТШ-15 и перископический ПТК-5, из пушки С-53 — телескопический прицел ТШ-16.

Для стрельбы из 85-мм танковых пушек служили штатные боеприпасы от 85-мм зенитной пушки обр.1939 года:

— унитарный патрон с бронебойнотрассирующим тупоголовым снарядом (БР-365) с баллистическим наконечником с взрывателями МД-5 и МД-7;

— унитарный патрон с бронебойнотрассирующим остроголовым снарядом (БР-365К) с взрывателем МД-8;

— унитарный патрон с осколочной стальной гранатой (0-365К) с взрывателем КТМ-1;

— унитарный патрон с подкалиберным бронебойно-трассирующим снарядом БР-365П (принят на вооружение в феврале 1944 года).

Боекомплект пушки состоял из 55 артвыстрелов (осколочных — 36, бронебойных — 14, подкалиберных — 5) и размещался в корпусе и башне танка в трех типах укладок: стеллажной, хомутиковых и ящиках.

Стеллажная укладка на 12 выстрелов находилась в нише башни. В нее входили выстрелы с осколочной гранатой.

Хомутиковые укладки располагались: на правом борту башни — на 4 артвыстрела; в отделении управления у правого борта корпуса — на 2 артвыстрела; в правом заднем углу боевого отделения — на 2 артвыстрела. На правом борту башни укладывались выстрелы с бронебойными снарядами, а в отделении управления и боевом — с подкалиберными снарядами.

В шести ящиках, расположенных на днище боевого отделения размещалось 35 выстрелов, из них: 24 — с осколочной гранатой, 10 — с бронебойным снарядом и 1 — с подкалиберным.

Башня танка послевоенного выпуска завода "Красное Сормово":

1 — крышка люка заряжающего; 2 — колпаки над вентиляторами; 3 — отверстие для установки прибора наблюдения командира танка; 4 — крышка люка командирской башенки; 5 — командирская башенка; 6 — смотровая щель; 7 — стакан антенного ввода; 8 — поручень; 9 — отверстие для установки прибора наблюдения наводчика; 10 — отверстие для стрельбы из личного оружия; 11 — рым; 12 — амбразура прицела; 13 — козырек; 14 — цапфенный прилив; 15 — амбразура пулемета; 16 — отверстие для установки прибора наблюдения заряжающего.


Характеристики снарядов 
Марка О-365К БР-365 БР-365К БР-365П
Масса снаряда, кг Начальная 9,54 9,2 9,34 5,35
скорость, м/с 793 800 800 1050
500 м 111   140
Бронепробиваемость по нормали, мм на дистанции:
1000 м - 102    
ДВИГАТЕЛЬ И ТРАНСМИССИЯ. На танке Т-34-85 устанавливался 12-цилиндровый четырехтактный бескомпрессорный дизель В-2-34. Номинальная мощность двигателя составляла 450 л.с. при 1750 об/мин, эксплуатационная — 400 л.с. при 1700 об/мин, максимальная — 500 л.с. при 1800 об/мин. Диаметр цилиндра 150 мм. Ход поршней левой группы 180 мм, правой — 186,7 мм. Цилиндры располагались V-образно под углом 60°. Степень сжатия 14— 15. Масса сухого двигателя с электрогенератором без выхлопных коллекторов 750 кг.

Топливо — дизельное, марки ДТ или газойль марки "Э" по ОСТ 8842. Емкость топливных баков 545 л. Снаружи, на бортах корпуса устанавливались два топливных бака по 90 л каждый. Наружные топливные баки к системе питания двигателя не подключались.

Подача топлива принудительная, с помощью двенадцатиплунжерного топливного насоса НК-1.

Система смазки — циркуляционная, под давлением. Циркуляция масла осуществлялась шестеренчатым трехсекционным масляным насосом. Емкость, внутренних масляных баков 76 л, наружного — 90 л.

Система охлаждения — жидкостная, закрытая, с принудительной циркуляцией. Радиаторов — два, трубчатых, установленных по обе стороны от двигателя с наклоном в его сторону. Емкость радиаторов 95 л.

Для очистки воздуха, поступавшего в цилиндры двигателя, на танке устанавливались два воздухоочистителя "Мультициклон".

Пуск двигателя осуществлялся электростартером СТ-700 мощностью 15 л.с. или сжатым воздухом (два баллона устанавливались в отделении управления).

Трансмиссия состояла из многодискового главного фрикциона сухого трения (сталь по стали), коробки передач, бортовых фрикционов, тормозов и бортовых передач.

Коробка передач — пятискоростная, с постоянным зацеплением шестерен. Бортовые фрикционы многодисковые, сухие (сталь по стали), тормоза — плавающие, ленточные, с чугунными накладками. Бортовые передачи одноступенчатые.

ХОДОВАЯ ЧАСТЬ танка, применительно к одному борту, состояла из пяти сдвоенных обрезиненных опорных катков диаметром 830 мм.

Подвеска — индивидуальная, пружинная.

Ведущие колеса заднего расположения имели шесть роликов для зацепления с гребнями гусеничных траков.

Направляющие колеса — литые, с кривошипным механизмом натяжения гусениц.

Трансмиссионное отделение:

1 — бортовой фрикцион с тормозной лентой; 2 — коробка передач; 3 — главный фрикцион; 4 — электростартер; 5 — пусковое реле; 6 — бортовая передача; 7 — левый кормовой топливный бак; 8 — левый воздухоочиститель; 9 — воздухопровод; 10 — калорифер; 11 — вентилятор; 12 — выхлопная труба; 13 — правый воздухоочиститель; 14 — правый кормовой топливный бак.

Танк Т-34-85 с самодельной деревянной фашиной. Обращает на себя внимание приоткрытый люк механика- водителя. С открытым люком часто ходили даже в атаку, причем на поражаемости танков это почти не сказывалось (попадание снаряда в закрытый люк все равно приводило к гибели механика-водителя) , зато  резко улучшало обзор.


Гусеницы — стальные, мелкозвенчатые, с гребневым зацеплением, по 72 трака в каждой (36 с гребнем и 36 без гребня). Ширина гусеницы 500 мм, шаг трака 172 мм. Масса одной гусеницы 1150 кг.

ЭЛЕКТРООБОРУДОВАНИЕ было выполнено по однопроводной схеме. Напряжение 24 и 12 В. Источники: генератор ГТ-4563А мощностью 1 кВт и четыре аккумуляторные батареи 6-СТЭ-128 емкостью 128 А"ч каждая. Потребители: электростартер СТ-700,электромотор поворотного механизма башни, электромоторы вентиляторов,контрольные приборы, аппаратура внешнего и внутреннего освещения, электросигнал, умформер радиостанции и лампы ТПУ.

СРЕДСТВА СВЯЗИ. На Т-34-85 устанавливались коротковолновая приемопередающая симплексная телефонная радиостанция 9-РС и внутреннее танковое переговорное устройство ТПУ-3- бисФ.

Т-34-85 в Берлине, май 1945 года. Машина поздних выпусков 1944 года (двухстворчатый люк командира, приборы МК-4 без крышечек) с пушкой ЗИС-С-53.

Ходовая часть:

1 — ведущее колесо; 2 — гусеница; 3 — опорный каток; 4 — балансир; 5 — ось катка; 6 — направляющее колесо; 7 — ось балансира; 8 — противопыльный чехол подвески; 9 — траверса; 10 — щиток; 11 — пружины; 12 — цапфа.


ТАКТИКО-ТЕХНИЧЕСКИЕ ХАРАКТЕРИСТИКИ ТАНКА Т-34-85
Год выпуска 1944

Боевая масса, т 32

Экипаж, чел 5

Габаритные размеры, мм:

длина 8100

ширина 3000

высота 2720

клиренс 400

Высота линии огня, мм 2020

Толщина брони, мм/угол наклона:

лобовой лист корпуса 45/60°

бортовые листы 45/0°

листы подкрылков 40/40°

верхний лист кормы 45/47°32'

нижний лист кормы 40/45°

передний лист крыши 16/90°

съемные листы крыши 16/90°

передний лист днища 20/90°

задний лист днища 13/90°

лобовой лист башни 90

боковые листы башни 75/20°

крыша башни 20/90°

Макс, скорость движения, км/ч 55

Средняя скорость движения, км/ч:

по шоссе 30

по местности 25

Запас хода, км:

по шоссе 300—400

по проселку 230—320

Длина опорной поверхности, мм 3850

Удельное давление, кг/см² 0,83

Удельная мощность, л.с./т 15,6


Боевое применение

В феврале — марте 1944 года танки Т-34-85 начали поступать в войска. В частности, примерно в это время их получили соединения 2-го, 6-го, 10-го и 11-го гвардейских танковых корпусов. К сожалению, эффект от первого боевого применения новых танков был невысоким, так как бригады получали всего по нескольку машин. Большинство в них составляли "тридцатьчетверки" с 76-мм пушками. К тому же совсем мало времени отводилось в боевых частях на переподготовку экипажей. Вот что по этому поводу писал в своих воспоминаниях М.Е.Катуков, в апрельские дни 1944-го командовавший 1-й танковой армией, которая вела тяжелые бои на Украине: "Пережили мы в те трудные дни и радостные минуты. Одна из таких — приход танкового пополнения. Получила армия, правда в небольшом количестве, новые "тридцатьчетверки", вооруженные не обычной 76-мм, а 85- мм пушкой. Экипажам, получившим новые "тридцатьчетверки", пришлось дать всего два часа времени на их освоение. Больше дать мы тогда не могли. Обстановка на сверхшироком фронте была такая, что новые танки, обладавшие более мощным вооружением, надо было как можно скорее ввести в бой".

Одним из первых Т-34-85 с пушкой Д-5Т получил 38-й отдельный танковый полк. Эта часть имела смешанный состав: помимо Т-34-85 в ней находились и огнеметные танки ОТ-34. Все боевые машины полка были построены на средства Русской Православной церкви и несли на своих бортах название "Димитрий Донской". В марте 1944 года полк вошел в состав 53-й общевойсковой армии и принял участие в освобождении Украины.

В заметных количествах Т-34-85 использовались в ходе наступления в Белоруссии, начавшегося в конце июня 1944 года. Они составляли уже более половины из 811 "тридцатьчетверок", принимавших участие в этой операции. В массовом же порядке Т-34-85 применялись в боевых действиях в 1945 году: в Висло-Одерской, Померанской, Берлинской операциях, в сражении у озера Балатон в Венгрии. В частности, накануне Берлинской операции укомплектованность танковых бригад боевыми машинами этого типа была почти стопроцентной.

Берлин взят! Танк Т-34-85 и тяжелые САУ ИСУ. Вражеским огнем с бортов "тридцать четверки" сорвано все, включая наружные баки. За поручнем башни — трофейный пистолет-пулемет МР-40.


Командирские башенки
Образца 1944 года цилиндрической формы с двухстворчатой крышкой.

Образца 1945 года с закругленной верхней кромкой и одностворчатой крышкой.


Следует отметить, что в ходе перевооружения танковых бригад в них произошли некоторые организационные изменения. Поскольку экипаж Т-34-85 состоял из пяти человек, то на доукомплектование экипажей был обращен личный состав роты противотанковых ружей батальона автоматчиков бригады.

До середины 1945 года на вооружении советских танковых частей, дислоцировавшихся на Дальнем Востоке, состояли в основном устаревшие легкие танки БТ и Т-26. К началу войны с Японией в войска поступило 670 танков Т-34-85, что позволило укомплектовать ими первые батальоны во всех отдельных танковых бригадах и первые полки в танковых дивизиях. 6-я гвардейская танковая армия, переброшенная в Монголию из Европы, оставила свои боевые машины в прежнем районе дислокации (Чехословакия) и уже на месте получила 408 танков Т-34-85 с заводов №183 и №174. Таким образом, машины этого типа приняли самое непосредственное участие в разгроме Квантунской армии, являясь ударной силой танковых частей и соединений.

Помимо Красной Армии танки Т-34-85 поступили на вооружение армий нескольких стран-участниц антигитлеровской коалиции.

Первым танком этого типа в Войске Польском стал Т-34-85 с пушкой Д-5Т, переданный 11 мая 1944 года 3-му учебному танковому полку 1-й польской армии. Что касается боевых частей, то первой эти танки — 20 единиц — получила 1-я польская танковая бригада в сентябре 1944 года после боев под Студзянками. Всего же в 1944— 1945 годах Войско Польское получило 328 танков Т-34-85 (последние 10 машин были переданы 11 марта). Танки поступали с заводов №183, №112 и ремонтных баз. В ходе боевых действий значительная часть боевых машин была потеряна. По состоянию на 16 июля 1945 года в Войске Польском числилось 132 танка Т-34-85.

Все эти машины были порядком изношены и требовали капитального ремонта. Для его проведения создали специальные бригады, которые на местах недавних боев снимали с подбитых польских, да и советских танков исправные узлы и агрегаты. Интересно отметить, что в ходе ремонта появилось некоторое количество "синтезированных" танков, когда у Т-34 раннего выпуска меняли подбашенный лист и устанавливали башню с 85-мм пушкой.

1-я отдельная чехословацкая бригада получила Т-34-85 в начале 1945 года. В ее состав тогда входили 52 Т-34-85 и 12 Т-34. Бригада, находясь в оперативном подчинении советской 38-й армии, принимала участие в тяжелых боях за Остраву. После взятия 7 мая 1945 года г.Оломоуц оставшиеся в строю 8 танков бригады были переброшены в Прагу. Число танков Т-34-85, переданных в 1945 году Чехословакии, в разных источниках колеблется от 65 до 130 единиц.

На завершающем этапе войны две танковых бригады сформировали в Народно-освободительной армии Югославии. 1-ю танковую бригаду вооружили англичане, и ее легкие танки МЗАЗ в июле 1944 года высадились на Адриатическом побережьи Югославии. 2-я танковая бригада была сформирована с помощью Советского Союза в конце 1944 года и получила 60 танков Т-34-85.

Советские танки в Дайрене. 7-й механизированный корпус, 6-я гвардейская танковая армия. 24 августа 1945 года.

Советские танки в бывших немецких парках. Германия, август 1946 года.


Незначительное количество Т-34-85 захватили немецкие войска, а также войска союзных с Германией государств. Этих танков, использовавшихся вермахтом, были единицы, что и понятно — в 1944— 1945 годах поле боя в большинстве случаев оставалось за Красной Армией. Достоверно известны факты применения отдельных Т-34-85 5-й танковой дивизией СС "Викинг", 252-й пехотной дивизией и некоторыми другими частями. Что касается союзников Германии, то в 1944 году финны, например, захватили девять Т-34-85, шесть из которых эксплуатировались в финской армии до 1960 года.

Как это часто бывает на войне, боевая техника иногда несколько раз переходила из рук в руки. Весной 1945 года 5-я гвардейская танковая бригада, воевавшая в составе 18-й армии на территории Чехословакии, захватила у немцев средний танк Т-34-85. Интересно отметить, что на тот момент материальная часть бригады состояла из легких танков Т-70, средних Т-34 и батальона трофейных венгерских танков. Захваченная машина стала первым танком Т-34-85 в этой бригаде.

После окончания Второй мировой войны Т-34-85 довольно долго — почти до середины 50-х годов — составляли основу танкового парка Советской Армии: танк Т-44 поступил на вооружение в ограниченных количествах, а Т-54 слишком медленно осваивался промышленностью. По мере насыщения войск современной бронетанковой техникой танки Т-34-85 передавались в учебные части, а также ставились на долговременное хранение. В учебных частях ряда военных округов, в частности в Забайкальском и Дальневосточном, эти боевые машины эксплуатировались до начала 70-х годов. Сведений о наличии Т-34-85 в войсках на сегодняшний день у автора нет, но формального приказа министра обороны о снятии танка с вооружения Российской Армии пока не было.

В составе Советской Армии танки Т-34-85 в послевоенные годы участия в боевых действиях не принимали. Известны факты боевого применения "тридцатьчетверок" в некоторых "горячих точках" на территории СНГ, например в ходе армяно-азербайджанского конфликта. Причем подчас для этой цели использовались даже танки-памятники.

Танки Т-34-85 на Красной площади. Москва, 1 мая 1949 года.

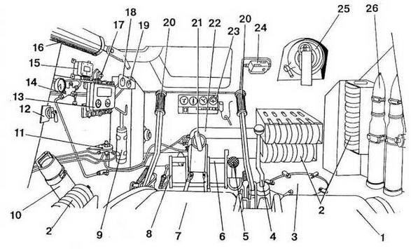
Размещение боеукладок в танке:

1 —укладка артвыстрелов на правом борту башни; 2 — укладка артвыстрелов в нише башни; 3 — укладка артвыстрелов в правом углу боевого отделения; 4 — укладка пулеметных магазинов слева от сиденья механика-водителя; 5 — укладка артвыстрелов на полу боевого отделения в ящиках; 6 — укладка пулеметных магазинов на нижнем носовом листе корпуса; 7 — укладка пулеметных магазинов в отделении управления справа от сиденья пулеметчика; 8 — укладка артвыстрелов в отделении управления; 9 — укладка пулеметных магазинов на правом борту башни.


За пределами же Советского Союза Т-34-85 участвовали в боевых действиях практически на всех континентах и вплоть до самого последнего времени. К сожалению, указать точное число переданных в ту или иную страну танков этого типа не представляется возможным, тем более, что поставки эти осуществлялись не только из СССР, но и из Польши и Чехословакии.

После 1945 года Т-34-85 в разное время состояли на вооружении в Австрии, Албании, Алжире, Анголе, Афганистане, Бангладеш, Болгарии, Венгрии, Вьетнаме, Гане, Гвинее, Гвинее-Биссау, ГДР, Египте, Израиле (трофейные египетские), Ираке, Кипре, Китае, КНДР, Конго, Кубе, Лаосе, Ливане, Ливии, Мали, Мозамбике, Монголии, Польше, Румынии, Северном Йемене, Сирии, Сомали, Судане, Того, Уганде, Финляндии (трофейные советские), Чехословакии, Экваториальной Гвинее, Эфиопии, ЮАР (трофейные ангольские), Югославии, Южном Йемене. По состоянию на 1996 год танки этого типа еще имелись в армиях Кубы (400 единиц, в основном в береговой обороне), Албании (70), Боснии и Герцеговины, Хорватии, Анголы (58), Гвинеи-Биссау (10), Мали (18), Афганистана и Вьетнама.

Ареной наиболее широкого применения "тридцатьчетверок" после Второй мировой войны стала Азия.

...В 5 часов утра 25 июня 1950 года Т-34-85 109-го танкового полка Корейской народной армии (КНА) пересекли 38-ю параллель — началась Корейская война.

Создание бронетанковых частей КНА началось еще в 1945 году, когда был сформирован 15-й учебный танковый полк, на вооружении которого состояли американские танки "Стюарт" и "Шерман", полученные от китайцев, а также два советских Т-34-85. Обучение корейских военнослужащих осуществляли 30 советских инструкторов-танкистов. В мае 1949 года на основе полка сформировали 105-ю танковую бригаду. К концу года все три ее полка (107-, 109- и 203-й) были полностью укомплектованы "тридцатьчетверками", по 40 машин в каждом. К июню 1950-го КНА располагала 258-ю танками Т-34-85. Помимо 105-й бригады, 20 машин имелось в 208-м учебном танковом полку, а остальные во вновь сформированных 41-, 42-, 43-, 45- и 46-м танковых полках (реально — батальоны, по 15 танков в каждом) и в 16- и 17-й танковых бригадах (в действительности полки по 40 — 45 машин). Превосходство северокорейских войск, с точки зрения количества и качества бронетанковой техники, было полным, поскольку южнокорейская армия вообще не имела ни одного танка, а 8-я американская армия, дислоцировавшаяся в Южной Корее и Японии, располагала в это время только четырьмя отдельными танковыми батальонами, вооруженными легкими танками М24 "Чаффи".

Горный характер центральной части Корейского полуострова не позволял использовать крупные массы танков, поэтому танковые полки придавались 1-, 3- и 4-й пехотным дивизиям КНА, наносившим удар в направлении на Сеул. Успех танковых атак был полным! Южнокорейские пехотные части оказались полностью деморализованными. Мало того, что многие солдаты до этого никогда в жизни не видели танков, но они еще и очень быстро убедились, что их противотанковые средства — 57-мм пушки и 2,36-дюймовые базуки — бессильны против Т-34-85. 28 июня 1950 года Сеул пал.

Подбитые огнем "супербазук" северокорейские "тридцатьчетверки" 105-й танковой бригады. Июль 1950 года.

Т-34-85 на параде в ознаменование 15-летия освобождения Кореи от японских захватчиков. Пхеньян, 15 августа 1960 года.


Спустя неделю произошло знаменательное событие — 5 июля 33 танка Т-34-85 107-го полка КНА атаковали позиции 24-й пехотной дивизии армии США. Танковую атаку американцы попытались отбить огнем 105-мм гаубиц и 75-мм безоткатных пушек. Однако оказалось, что фугасные снаряды малоэффективны, а 105-мм кумулятивных снарядов было всего шесть. Ими и удалось подбить два танка с дистанции 500 ярдов. В ходе этого боя американские пехотинцы произвели 22 выстрела по танкам из 2,36-дюймовых базук — и все безрезультатно!

10 июля 1950 года произошел первый танковый бой между Т-34-85 и М24 из роты А 78-го танкового батальона. Два М24 были подбиты, "тридцатьчетверки" потерь не имели. 75-мм американские снаряды не пробивали их лобовую броню. На следующий день рота А потеряла еще три танка, а к концу июля практически перестала существовать — в ней осталось два танка из 14! Такие результаты полностью деморализовали американских танкистов и весьма огорчили пехотинцев, которые не видели теперь в М24 сколько-нибудь эффективного противотанкового средства. Некоторое облегчение испытали пехотинцы только после начала использования 3,5-дюймовых "супербазук". В боях за Тэджон 105-я бригада потеряла 15 Т-34-85, семь из которых были уничтожены огнем "супербазук".

Достойного противника "тридцатьчетверки" встретили только 17 августа 1950 года. Т-34-85 107-го танкового полка атаковали позиции 1-й бригады морской пехоты США на Пусанском плацдарме. Привыкшие к победам северокорейские танкисты, увидев перед собой хорошо знакомые М24, уверенно пошли в бой. Однако они ошиблись—это были М26 "Першинг" из 1-го танкового батальона Корпуса морской пехоты США. Комбинированным огнем 90-мм пушек "першингов" и "супербазук" три Т-34-85 были подбиты. С этого момента в танковых' боях наступил перелом. Северокорейские танкисты, хорошо обученные ведению наступательных действий, оказались не готовыми к ведению единоборства с американскими танками в условиях позиционной борьбы. Сказывался более высокий уровень боевой подготовки американских экипажей. К сентябрю 1950 года на Пусанском плацдарме установилось равновесие сил. Высадившись у Инчхона, американцы переломили ход событий в свою пользу.

От Инчхона открывался короткий путь на Сеул, в районе которого находилось всего 16 Т-34-85 из 42-го танкового полка с необстрелянными экипажами и 10— 15 танков 105-й бригады. В боях 16 — 20 сентября практически все эти машины были уничтожены.

Первый бой Т-34-85 с "шерманами" произошел 27 сентября. 10 "тридцатьчетверок" атаковали М4АЗЕ8 2-го взвода роты С 70-го танкового батальона. Три "шермана" были подбиты в считанные секунды. Затем один Т-34-85 проутюжил транспортную колонну, разнеся в щепы 15 грузовиков и джипов, и был подбит выстрелом в упор из 105-мм гаубицы. Еще четыре Т-34-85 стали жертвами огня базук, а два северокорейских танка подбили подошедшие с тыла основные силы 70-го танкового батальона.

Вьетнамская спаренная 37-мм самоходная зенитная установка на шасси танка Т-34-85 в музее Абердинского полигона в США.


Сирийский Т-34-85, подбитый на Голанских высотах в ходе арабо- израильской войны 1967 года.


К концу года войска КНДР потеряли 239 танков Т-34-85, большинство из которых было подбито огнем базук и авиацией. В боях с танками, по американским данным, были подбиты 97 Т-34-85. Ответным огнем северокорейские танки уничтожили только 34 американские боевые машины. При этом Т-34-85 однозначно превосходили М24 "Чаффи" по всем параметрам. По своим характеристикам "тридцатьчетверки" были близки с М4АЗЕ8, но имели более мощное вооружение. Если Т-34-85 без затруднения поражал "Шерман" на дистанции прямого выстрела обычными бронебойными снарядами, то американский танк добивался подобного результата лишь при использовании подкалиберных и кумулятивных снарядов. Не "по зубам" Т-34-85 в Корее оказались лишь М26 "Першинг" и М46 "Паттон", имевшие более мощные броневую защиту и вооружение.

В 1959 году была сформирована первая танковая часть Демократической Республики Вьетнам — 202-й танковый полк, _ вооруженный Т-34-85. В 1967 — 1975 годах эти танки использовались в боях против американских войск наряду с более современными Т-54, Т-55, ПТ-76 и зарекомендовали себя с хорошей стороны. Во всяком случае, последняя партия "тридцатьчетверок" прибыла из СССР в 1973 году. Т-34-85 из 273-го танкового полка Вьетнамской народной армии приняли участие в последнем сражении этой войны — взятии Сайгона в апреле 1975-го.

В дальнейшем Т-34-85 воевали в Кампучии, а в 1979 году участвовали в отражении наступления китайских войск на северные провинции ДРВ. Некоторая часть "тридцатьчетверок" была переоборудована вьетнамцами в ЗСУ. Вместо штатных башен на них установили открытые сверху броневые рубки со спаренными китайскими 37-мм автоматическими зенитными пушками "Тип 63". По другим данным, эти боевые машины были изготовлены в Китае.

Последним азиатским театром боевых действий, где воевали Т-34-85, стал Афганистан. Причем боевые машины этого типа в 80-е годы использовались как регулярными частями афганской армии, так и моджахедами.

В наиболее значительных количествах танки Т-34-85 применялись в ходе многочисленных войн на Ближнем Востоке.

Первые 230 "тридцатьчетверок" прибыли в Египет в 1953 — 1956 годах. Это были танки чехословацкого производства. Часть из них оказалась уничтожена в ходе англо-франко-израильской интервенции против Египта в октябре — ноябре 1956 года. Израильские танкисты,воевавшие на "шерманах" и АМХ-13, подбили 26 Т-34-85. Боевых столкновений между египетскими и англо-французскими танками не отмечалось.

Новую крупную партию Т-34-85 — 120 машин — на берега Нила доставили из Чехословакии еще до конца 1956 года. За ней последовала вторая (в 1962 — 1963 годах), а в 1965 — 1967-м — третья, еще 130 танков. В начале 60-х годов поставки "тридцатьчетверок" из СССР и Чехословакии начались в Сирию.

Во время "шестидневной" войны 1967 года эти танки находились в первой линии танковых частей вместе с Т-54. Как известно, в этой войне арабы потерпели поражение. На Синайском полуострове израильские войска подбили и захватили 251 танк Т-34-85. Потери сирийцев были значительно меньше, как по причине меньшего количества задействованной бронетехники, так и из-за условий ее применения — Голанские высоты — это не Синай. Интересно отметить, что на Голанах против израильских войск под сирийским флагом сражались бывшие противники: немецкие танки Pz.IV Ausf.l, полученные в конце 40-х годов из Чехословакии и Франции, и Т-34-85.

В "войне судного дня" в 1973 году Т-34-85 использовались в значительно меньших масштабах и привлекались в основном для решения вспомогательных задач. Подобно израильским "шерманам", многие из них накануне этой войны подверглись модернизации и переделкам.

Египетский Т-34-100, вооруженный 100-мм пушкой БС-3, в одном из музеев Израиля.

Т-34-122 в английском музее Budge Collection.


Стремясь усилить вооружение танка, египтяне умудрились установить на него советскую 100-мм полевую пушку БС-3. При этом башенный погон оставался прежним. Правда, от штатной башни сохранились только передняя и нижняя части.

Вместо всего остального из легких броневых листов была сооружена довольно громоздкая надстройка простой формы. Значительная часть бронелистов бортов и крыши этой новой башни выполнялась откидными, что, с одной стороны, облегчало работу экипажа по обслуживанию пушки во время стрельбы, а с другой — решало вопрос вентиляции боевого отделения. Боевая масса машины несколько возросла, но динамические характеристики практически не изменились. Не останавливаясь на достигнутом, египетские конструкторы установили в схожей по конструкции, но несколько большей по размерам, башне 122-мм гаубицу Д-30! Само собой разумеется, что обе эти машины нельзя было использовать в качестве танков. Речь шла только об их применении как самоходно-артиллерийских установок. К сожалению, данных о количестве переделанных таким образом машин, равно как и об их участии в боевых действиях, нет. Ведущая роль в танковых боях отошла к современным Т-55 и Т-62.

В отличие от египтян, сирийцы пошли другим, более простым путем. Гаубицу Д-30 они решили установить на крыше передней части корпуса, при этом стрельба велась назад. Башня при этом, естественно, демонтировалась. На бортах корпуса крепилось по пять стальных ящиков для снарядов. Над лобовым бронелистом монтировалась откидная рабочая платформа для орудийного расчета. Внутри корпуса оборудовались места для хранения боезапаса и сиденья экипажа. Перед установкой на подготовленный таким образом танк с орудия снимался нижний станок с колесным ходом и обрезался щит. Переоборудование танков проводилось в артиллерийском училище в Катанахе и бронетанковом — в Эль-Кабуне.

Из-за уменьшившейся до 20 т массы динамические характеристики машины даже возросли. Стало меньше и удельное давление на грунт. Прежними, естественно, остались баллистические характеристики Д-30. К недостатку такой установки гаубицы, имевшей в буксируемом варианте круговой обстрел, можно отнести ограниченный сектор наведения. Формально и здесь орудие могло поворачиваться на 360°, но огонь велся только в секторе наведения 120° по корме танка. Боекомплект САУ Т-34-122 состоял из 120 снарядов (80 внутри машины и 40 в ящиках на бортах корпуса).

Первыми в начале 1972 года эти самоходки получили артиллерийские батальоны 4-й и 91-й танковых бригад (по 18 машин в каждом) 1-й бронетанковой дивизии. К началу войны 1973 года обе сирийские бронетанковые дивизии (1 -я и 3-я) имели на вооружении Т-34-122. В ходе боевых действий эти машины, в первую очередь, использовались для проведения внезапных огневых налетов по площадям и непосредственной огневой поддержки войск. В конце войны им пришлось отражать атаки израильских танков, причем в основном без успеха главным образом из-за недостаточной подготовки расчетов для стрельбы по движущимся целям.

Т- 34-122 (египетский).

Т-34-122 (сирийский).


Вновь эти САУ пошли в бой в Ливане в 1976-м, а затем и в 1982 году. Тут сказался еще один недостаток этих машин — на узких горных дорогах САУ часто немогли развернуться для ведения огня. Это была последняя война, в которой приняли участие Т-34-122. Вскоре из СССР прибыли современные самоходно-артиллерийские установки 2С1 и 2СЗ, которыми в артиллерийских частях бронетанковых дивизий начали заменять "тридцатьчетверки". При этом последние передавались в резерв.

Помимо Египта и Сирии, на Ближнем Востоке Т-34-85 использовались обеими сторонами в ходе войны между Северным и Южным Йеменом в 1962— 1967 годах. Во время гражданской войны в Ливане их применяли как различные ливанские враждующие группировки, так и отряды Организации освобождения Палестины, получившей 60 танков из Венгрии. Наконец, иракские Т-34-85 использовались в ходе войны с Ираном в 80-х годах.

Полем боя для "тридцатьчетверок" был и африканский континент. Впервые они приняли участие в боевых действиях в Западной Сахаре в 1970 году. Эфиопия применяла их в Эритрее и против Сомали в 1977— 1978 годах. Впрочем, Т-34-85 имелись и в составе сомалийской армии, вторгшейся в эфиопскую провинцию Огаден.

По западным данным, первые Т-34-85 поступили в отряды ФАПЛА (армия Анголы) в 1975 году, еще до формального провозглашения независимости страны. В 1976 году туда были доставлены 85 танков этого типа, которые приняли участие в боях с отрядами движения УНИТА и частями армии ЮАР. При этом они весьма эффективно использовались против юаровских бронеавтомобилей "Панар" AML-90. Несколько танков впоследствии оказались в распоряжении повстанцев в Намибии, где они участвовали в боевых действиях против юаровских войск в 1981 году. При этом часть танков была подбита огнем 90-мм пушек бронемашин Ratel-90, а ряд из них — захвачены юаровцами.

Единственной страной Латинской Америки, когда-либо располагавшей танками Т-34-85, являлась Куба. В 1960 году она подписала с СССР и Чехословакией первые соглашения о поставках вооружения и боевой техники. Вскоре первая партия танков — около трех десятков Т-34-85 — прибыла на Кубу.

Тем временем полным ходом шла подготовка к вторжению на Кубу "бригады 2506", сформированной из эмигрантов-"гусанос" для свержения Фиделя Кастро. В составе бригады имелось до 10 танков М4 "Шерман" (по другим данным — М41) и 20 бронеавтомобилей М8. Высадка началась 17 апреля 1961 года в заливе Кочинос у Плайя-Ларга и Плайя-Хирон, и поначалу силам вторжения противостояли только небольшие отряды народной милиции — "милисианос". К полудню 17 апреля, когда стали ясны намерения "гусанос", Ф.Кастро прибыл на позиции для непосредственного руководства войсками. К району высадки выдвигались пехотный полк, танковый батальон и дивизион 122-мм гаубиц.

Вечером 17 апреля "м.илисианос" при поддержке нескольких подоспевших танков Т-34-85 попытались выдвинуться в направлении Плайя-Ларга. Не имея возможности развернуться в боевой порядок на заболоченной местности, танки двигались колонной по шоссе, мешая друг другу вести огонь. "Гусанос" подпустили их поближе и подбили головную "тридцатьчетверку" сразу из трех базук. Остальные танки отошли, пехота также вернулась на исходные позиции. К утру 18 апреля к месту боя своим ходом прибыл весь танковый батальон из Санта-Клары, еще две танковых роты перебросили из Манагуа на трейлерах. После продолжавшейся несколько часов артподготовки восемь батальонов армии и милиции перешли в наступление. Танки Т-34-85 и САУ СУ- 100 двигались позади боевых порядков пехоты, поддерживая их непрерывным огнем. К 10.30 утра они взяли Плайя- Ларга и вышли на берег, где перенесли огонь на пытавшиеся приблизиться к берегу десантные катера.

Сормовский Т-34-85 на параде в Анголе. Машина прошла модернизацию, о чем можно судить по ИК-осветителю ФГ-100 на правом борту корпуса. Луанда, 9 февраля 1976 года.

Югославский Teski Tenk Vozilo А в военном музее в крепости Калемегдан в Белграде.


19 апреля в 17.30 подразделения кубинской армии и народной милиции взяли штурмом поселок Плайя-Хирон — последний пункт обороны "бригады 2506". Первой в поселок вошла рота танков Т-34-85, в головной машине находился сам Фидель Кастро, лично руководивший атакой. В Плайя-Хироне были подбиты последние два "шермана" контрреволюционеров. Правительственные же войска за всю операцию потеряли только один Т-34-85.

В боевых действиях на Европейском континенте после Второй мировой войны Т-34-85 использовались трижды. Первый раз в 1956 году в Венгрии. В Будапеште повстанцы захватили пять танков Венгерской Народной армии, и они затем принимали участие в боях с частями Советской Армии, вошедшими в город.

Teski Tenk Vozilo A.


В 1974 году во время турецкой интервенции на Кипр танки Т-34-85, поставленные грекам-киприотам из Югославии и Польши, воевали с турецкими войсками.

Последний случай боевого применения танков Т-34-85 имел место в ходе гражданской войны в Югославии в 1991 — 1997 годах. Боевые машины этого типа использовались здесь всеми противоборствующими сторонами, поскольку до распада Югославии они имелись в войсках территориальной обороны практически всех союзных республик. "Тридцатьчетверки" неплохо показали себя в боевых действиях, хотя и были самыми устаревшими танками на этой войне. Слабость их брони экипажи пытались компенсировать навешиванием на борта стальных листов или мешков с песком. Правда, Т-34-85 главным образом применялись не как танки, а как самоходные артустановки, ведя огонь с места.

Рассказ об использовании танков Т-34-85 в Югославии был бы не полным без упоминания о попытке их основательной модернизации, предпринятой в этой стране в конце 40-х годов. Главной причиной этого мероприятия было желание осовременить танк и в таком виде развернуть в Югославии его собственное серийное производство, а не приобретать лицензии на его выпуск у СССР, отношения с которым тогда резко ухудшились.

Изменения не затронули, пожалуй, только ходовую часть, подвеску и двигатель. Некоторому усовершенствованию подверглась трансмиссия. Наиболее существенные новшества были внесены в конструкцию корпуса и башни. Верхнюю часть корпуса несколько расширили, и она получила боковые скулы в носовой части. Из-за этого курсовой пулемет пришлось сместить ближе к оси машины. Крышу моторно-трансмиссионного отделения заменили на новую, а три стандартных цилиндрических топливных бака — на полуцилиндрические. Танк получил совершенно новую обтекаемую литую башню. Поскольку югославская промышленность тех лет была не в состоянии изготовить столь крупные отливки, башня сваривалась из шести литых деталей.

Танк Т-34-85 и его сербский экипаже перед выполнением боевой задачи. Босния, 1995 год. Характерной особенностью югославских "тридцатьчетверок" был крупнокалиберный зенитный пулемет "Браунинг" М2 американского производства, смонтированный прямо на бронеколпаках вентиляторов.


Подверглась модернизации и пушка ЗИС-С-53. На ней установили дульный тормоз оригинальной формы. По другим данным, на танке установили 75-мм пушку, разработанную на основе немецкой KwK39. На вращающемся двухстворчатом люке заряжающего был смонтирован 7,62-мм зенитный пулемет "Браунинг" М1919А4.

Необходимо отметить, что все эти усовершенствования действительно повысили снарядостойкость корпуса и башни, однако существенным образом улучшить характеристики машины не могли. По этой причине, а также из-за технических трудностей, массовая модернизация "тридцатьчетверок" так и не была развернута. Изготовили только 7 танков, которые приняли участие в параде 1 мая 1950 года в Белграде.


Оценка машины

Средний танк Т-34-85, по существу, представляет собой большую модернизацию танка Т-34, в результате которой был устранен очень важный недостаток последнего — теснота боевого отделения и связанная с ней невозможность полного разделения труда членов экипажа. Достигнуто это было за счет увеличения диаметра башенного погона, а также за счет установки новой трехместной башни значительно больших, чем у Т-34, размеров. При этом конструкция корпуса и компоновка в нем узлов и агрегатов сколько-нибудь существенных изменений не претерпели. Следовательно, остались и недостатки, свойственные машинам с кормовым расположением двигателя и трансмиссии.

Как известно, наибольшее распространение в танкостроении получили две схемы компоновки с носовым и кормовым расположением трансмиссии. Причем недостатки одной схемы являются достоинствами другой.

Изъян компоновки с кормовым расположением трансмиссии состоит в увеличенной длине танка из-за размещения в его корпусе четырех, не совмещенных по длине отделений или в сокращении объема боевого отделения при постоянной длине машины. Из-за большой длины моторного и трансмиссионного отделений боевое с тяжелой башней смещается к носу, перегружая передние катки, не оставляя места на подбашенном листе для центрального и даже бокового размещения люка механика-водителя. Возникает опасность "утыкания" выступающей вперед пушки в грунт при движении танка через естественные и искусственные препятствия. Усложняется привод управления, связывающий водителя с трансмиссией, размещенной в корме.

Путей выхода из этого положения два: либо увеличить длину отделения управления (или боевого), что неизбежно приведет к увеличению общей длины танка и ухудшению его маневренных качеств за счет возрастания соотношения L/B —длины опорной поверхности к ширине колеи (у Т-34-85 оно близко к оптимальному — 1,5), либо кардинально изменить компоновку моторного и трансмиссионного отделений. О том, к чему это могло привести, можно судить по результатам работы советских конструкторов при проектировании новых средних танков Т-44 и Т-54, созданных в годы войны и принятых на вооружение соответственно в 1944 и 1945 годах.

Схема компоновки танка Т-34-85. (заимствована из учебника "Конструкция и расчет танков")


На этих боевых машинах была применена компоновка с поперечным (а не с продольным, как у Т-34-85) размещением 12-цилиндрового дизеля В-2 (в вариантах В-44 и В-54) и объединенным значительно укороченным (на 650 мм) моторно-трансмиссионным отделением. Это позволило удлинить боевое отделение до 30% длины корпуса (у Т-34-85 — 24,3%), почти на 250 мм увеличить диаметр башенного погона и установить на средний танк Т-54 мощную 100-мм пушку. Одновременно удалось сместить башню к корме, выделив на подбашенном листе место для люка механика-водителя. Исключение пятого члена экипажа (стрелка из курсового пулемета), удаление боеукладки с полика боевого отделения, перенос вентилятора с коленчатого вала двигателя на кронштейн кормы и сокращение габаритной высоты двигателя обеспечили уменьшение высоты корпуса танка Т-54 (по сравнению с корпусом танка Т-34-85) примерно на 200 мм, а также сокращение забронированного объема примерно на 2 м³ и усиление броневой защиты более чем в два раза (при увеличении массы всего лишь на 12%).

На столь кардинальную перекомпоновку танка Т-34 во время войны не пошли, и, наверное, это было правильным решением. Вместе с тем, диаметр башенного погона, при сохранении неизменной формы корпуса, у Т-34-85 был практически предельным, что не позволяло разместить в башне артсистему более крупного калибра. Возможности модернизации танка по вооружению были исчерпаны полностью, в отличие, например, от американского "Шермана" и немецкого Pz.IV.

Кстати, проблема увеличения калибра основного вооружения танка имела первостепенное значение. Иногда можно услышать вопрос: зачем понадобился переход к 85-мм пушке, нельзя ли было улучшить баллистические характеристики Ф-34 за счет увеличения длины ствола? Ведь поступили же так немцы со своей 75-мм пушкой на Pz.IV.

Дело в том, что немецкие орудия традиционно отличались лучшей внутренней баллистикой (наши столь же традиционно-внешней). Немцы добивались высокой бронепробиваемости за счет повышения начальной скорости и лучшей отработки боеприпасов. Адекватно ответить мы могли только увеличением калибра. Хотя пушка С-53 значительно улучшила огневые возможности Т-34-85, но, как отмечал Ю.Е.Максарев: "В дальнейшем Т-34 уже не мог напрямую, дуэльно поражать новые немецкие танки". Все попытки создания 85-мм пушек с начальной скоростью свыше 1000 м/с, так называемых пушек большой мощности, закончились неудачей по причине быстрого износа и разрушения ствола еще на стадии испытаний. Для "дуэльного" поражения немецких танков понадобился переход к 100-мм калибру, что было осуществлено только в танке Т-54 с диаметром башенного погона 1815 мм. Но в сражениях Второй мировой войны эта боевая машина участия не принимала.

Что же касается размещения люка механика-водителя в лобовом листе корпуса, то можно было попробовать пойти по пути американцев. Вспомним, на "Шермане" люки механика-водителя и пулеметчика, первоначально также выполненные в наклонном лобовом листе корпуса, были впоследствии перенесены на подбашенный лист. Это удалось осуществить за счет уменьшения угла наклона лобового листа с 56° до 47° к вертикали. У Т-34-85 лобовой лист корпуса имел наклон 60°. Уменьшив этот угол также до 47° и компенсировав это некоторым увеличением толщины лобовой брони, можно было бы увеличить площадь подбашенного листа и разместить на нем люк водителя. Это не потребовало бы кардинальной переделки конструкции корпуса и не повлекло бы за собой существенного увеличения массы танка.

Танки Т-34-85 польского производства — слева и Т-34 советского производства — справа.

Слева: Т-34-85 Справа: Т-44

Военнослужащие армии США и Российской Армии из состава международных сил по поддержанию мира в Боснии осматривают подбитый сербский танк Т-34-85. Босния, 1996 год.


Не изменилась на Т-34-85 и подвеска. И если использование для изготовления пружин более качественной стали помогло избежать быстрого их проседания и, как следствие, уменьшения клиренса, то от значительных продольных колебаний корпуса танка в движении избавиться не удалось. Это был органический порок пружинной подвески. Расположение же обитаемых отделений в передней части танка только усугубляло негативное воздействие этих колебаний на экипаж и вооружение.

Следствием компоновочной схемы Т-34-85 стало и отсутствие в боевом отделении вращающегося полика башни. В бою заряжающий работал, стоя на крышках ящиков-кассет со снарядами, уложенными на днище танка. При поворотах башни он должен был перемещаться вслед за казенником, при этом ему мешали стреляные гильзы, падавшие сюда же на пол. При ведении интенсивного огня скапливавшиеся гильзы затрудняли и доступ к выстрелам, размещенным в боеукладке на днище.

Суммируя все эти моменты, можно сделать вывод, что, в отличие от того же "Шермана", возможности по модернизации корпуса и подвески Т-34-85 были использованы не полностью.


За время с 193 1 по май 1945 года завод Ля 183 выпустил 35 тысяч танков (по не 35 тысяч Т-34, как об этом иногда пишут). Юбилейная машина — Т-34-85 сохранена и находится в исправном техническом состоянии, о чем можно судить по этому снимку, сделанному в Нижнем Тагиле 9 мая 1995 года.

Рассматривая достоинства и недостатки Т-34-85, необходимо учитывать еще одно весьма важное обстоятельство. Экипаж любого танка, как правило, в повседневной реальности абсолютно не волнует, под каким углом наклона расположен лобовой или какой-либо другой лист корпуса или башни. Значительно важнее, чтобы танк как машина, то есть как совокупность механических и электрических механизмов, работал четко, надежно и не создавал проблем при эксплуатации. В том числе и проблем, связанных с ремонтом или заменой каких-либо деталей, узлов и агрегатов. Вот тут у Т-34-85 (как и у Т-34) все было в порядке. Танк отличался исключительной ремонтнопригодностью! Парадоксально, но факт — и в этом "виновата" компоновка!

Существует правило: компоновать не для обеспечения удобного монтажа — демонтажа агрегатов, а исходя из того, что до полного выхода из строя агрегаты не нуждаются в ремонте. Требуемая высокая надежность и безотказность в работе достигаются при проектировании танка на базе готовых, конструктивно отработанных агрегатов. Поскольку при создании Т-34 практически ни один из агрегатов танка не отвечал этому требованию, то и его компоновку выполнили вопреки правилу. Крыша моторно-трансмиссионного отделения была легкосъемной, кормовой лист корпуса откидывался на петлях, что позволяло осуществлять демонтаж таких крупногабаритных агрегатов, как двигатель и коробка передач в полевых условиях. Все это имело колоссальное значение в первой половине войны, когда из-за технических неисправностей из строя выходило больше танков, чем от воздействия противника (на 1 апреля 1942 года, например, в действующей армии имелось 1642 исправных и 2409 неисправных танков всех типов, в то время как наши боевые потери за март составили 467 танков). По мере улучшения качества агрегатов, достигшего наивысшего показателя у Т-34-85, значение ремонтнопригодной компоновки снизилось, но язык не повернется назвать это недостатком. Более того, хорошая ремонтнопригодность оказалась как нельзя кстати в ходе послевоенной эксплуатации танка за рубежом, в первую очередь в странах Азии и Африки, порой в экстремальных климатических условиях и с персоналом, имевшим весьма посредственный, если не сказать больше, уровень подготовки.

При наличии всех недостатков в конструкции "тридцатьчетверки" был соблюден некий баланс компромиссов, выгодно отличавший эту боевую машину от других танков Второй мировой войны. Простота, удобство при эксплуатации и техническом обслуживании, в совокупности с хорошей бронезащитой, маневренностью и достаточно мощным вооружением и стали причиной успеха и популярности Т-34-85 у танкистов.

Следующий номер "БРОНЕКОЛЛЕКЦИИ": Справочник "Бронетанковая техника стран Европы 1939—1945"


Средний танк Т-34-85

Компоновка среднего танка Т-34-85:

1 — пушка ЗИС-С-53; 2 — бронемаска; 3 — телескопический прицел ТШ-16; 4 —- подъемный механизм пушки; 5 — прибор наблюдения МК-4 заряжающего; 6 — неподвижное ограждение пушки; 7 — прибор наблюдения МК-4 командира; 8 — стеклоблок; 9 — откидное ограждение (гильзоулавливателъ); 10 — бронеколпак вентилятора; 11 — стеллажная боеукладка в нише башни; 12 — укрывочный брезент; 13 — хомутиковая укладка на два артвыстрела; 14 -— двигатель; 15 — главный фрикцион;16 — воздухоочиститель "Мультициклон"; 17 — стартер; 18 — дымовая шашка ЬДШ; 19 — коробка передач; 20 - - бортовая передача; 21—аккумуляторы; 22 — укладка выстрелов на полу боевого отделения; 23 — сиденье наводчика; 24 — ВКУ; 25 — шахта подвески; 26 - сиденье механика-водителя; 27 — укладка пулеметных магазинов в отделении управления; 28 - рычаг бортового фрикциона; 29 — педаль главного фрикциона; 30 — баллоны со сжатым воздухом; 31 — крышка люка механика-водителя; 32 - пулемет Д'Г; 33 — хомутиковая укладка выстрелов в отделении управления.

Внутренний вид башни танка (передняя сторона): 1 — сиденье заряжающего; 2 — гильзоулавливатель; 3 — сиденье наводчика; 4 — механизм поворота башни; 5 — захват погона башни; 6 — запорное устройство отверстия для стрельбы из личного оружия; 7 — кнопка включения подсветки угломера; 8 — электрощиток башенного оборудования; 9 — подвеска прицела; 10 — приборы наблюдения МК-4; 11 — прицел ТШ-16; 12 — щиток освещения прицела; 13 — пушка; 14 — плафон освещения башни; 15 — спаренный пулемет; 16 — укладка пулеметных магазинов на правом борту башни; 17 — стопор башни; 18 — аппарат № 1 ТПУ.

Отделение управления:

1 — сиденье пулеметчика; 2 — укладки пулеметных магазинов; 3 — люк запасного выхода; 4 — кулиса; 5 — педаль подачи топлива; б — педаль тормоза; 7 — сиденье механика-водителя; 8 — педаль главного фрикциона; 9 — шприц-пресс; 10 — огнетушитель; 11 — воздухораспределительный кран; 12 — воздушный кран; 13 — щиток электроприборов; 14 — кран-редуктор воздухопуска; 15 — реле- регулятор; 16 — уравновешивающий механизм крышки люка механика-водителя; 17 — кнопка стартера; 18 — спидометр; 19 — тахометр; 20—рычаги управления; 21 — ручной воздушный насос; 22 — баллоны со сжатым воздухом; 23 — щиток контрольно-измерительных приборов; 24 — аппарат № 3 ТПУ механика-водителя; 25 — установка курсового пулемета; 26—хомутиковая укладка на два артвыстрела.

Т-34-85. 55-я гвардейская танковая бригада, 7-й гвардейский танковый корпус. Берлин, 1945 г.

Т-34-85 "Полярник", построенный на средства работников Главсевморпути. 1-й Белорусский фронт, 1945 г.

Т-34-85. 51-й танковый полк. Зима 1945 г.

Т-34-85. 4-я гвардейская танковая бригада, 2- й гвардейский танковый корпус, 3- й Белорусский фронт. Восточная Пруссия, 1944 г.

Т-34-85 Героя Советского Союза лейтенанта Б.П.Сапункова.95-я танковая бригада, апрель 1945 г.

Т-34-85. 41-я гвардейская танковая бригада, 7-й механизированный корпус.Венгрия, февраль 1945 г.

Т-34-85. 39-я танковая бригада, 23-й танковый корпус. Венгрия, январь 1945 г.

Т-34-85 египетских вооруженных сил. 1956 г.

Т-34-85.44-Я бронетанковая бригада сирийской армии.Голанские высоты, июнь 1967 г.

Т-34-85. 202-й танковый полк Вьетнамской Народной Армии. 1971 г.

Т-34-85 иракской армии. 1982 г.

Т-34-85 Югославской Народной Армии. Хорватия, Карловац, лето 1991 г.


Оглавление

  • М. Барятинский Бронеколлекция 1999 №04 (25) Средний танк Т-34-85
  • История создания
  • Описание конструкции
  • Боевое применение
  • Оценка машины